Pump towers are complex and key structures as far as operations of LNG cargo tanks are concerned. The main function of the pump tower is to load/unload the tanks. The tower is designed with a primary structure supporting the main pump wells and is reinforced by struts linking the primary structures together. The pump tower structure is so designed to withstand various combined loads such as thermal contraction, hydrodynamic forces, inertia, vibration, etc. Pump tower design also implements various fittings and instruments which are linked to the main primary structure. This equipment is essential for the good operations of the tank. One of which consists in measuring the cargo level in the tank to ensure the efficiency of commercial transactions. Each tank must be provided with a redundant measurement system for cargo level. The primary measurement system relies on radar type technology and secondary measurement systems were historically performed using a float gauging system.

The float gauging system is implemented thanks to a dedicated float well pipe which is properly fixed to the pump tower structures. One of the challenges for such a device is to keep the required accuracy over the ship lifetime. Regular calibration adjustment is carried out during the scheduled ship survey, taking place each five years. For any reason, the ship operator should also have the possibility to remove the float gauge from the float well pipe. The design and construction process has to take into account those constrains. In this respect a specific door has been integrated at the bottom of the float well pipe in the pump tower.

Float well pire vs. Float pipe dorr

In order to secure the design and to facilitate dismantling operations, the door fixation was initially made with four bolts which are spot welded. Spot-welding means that the local welds on the bolts are definitive and have to be removed during dismantling. However, GTT has noticed that an incident could occur during the life of the vessels. During the last 10 years of operation for the fleet, 9 incidents have been reported to GTT. Among those 9 incidents, 5 were critical leading to the loss of the door fixation. The door is a 5 to 10 kg fitting and those incidents could lead to severe deformation of the primary membrane when the door was free to move inside the tank. It should be noted that no leak of primary membrane has been reported due to those incidents.

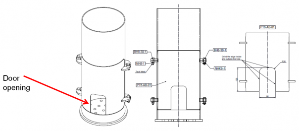
The main cause was an insufficient securing of door fixation and GTT has informed ship-owners with technical instructions to avoid such issue during operations. One of the main reason for an insufficient fixation is linked to regular door dismantling during ship dry-docking. GTT has adjusted the design by an additional opening in the float door. The purpose of the opening is to allow the calibration of the float gauge, which is regularly performed during ship survey, without having to dismantle the door.

Door opening

A particular attention has been given to the design feature of that float door opening in order to:

  • Fit with the various possible pipe diameters
  • Allow enough space for float gauge calibration
  • Keep sufficient strength against hydrodynamic forces

This enhanced feature of the float door has been successfully put in place in January 2021 during a ship survey. GTT will contact the builders and the ship-owners to gradually adapt the float door of the ships under construction and in operation.

 

> Back to headlines